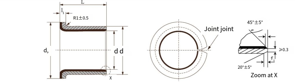
Eenheid: mm
| Asdiam. f7 | Huisvesting H7 | Codenummer | Grootte | f 1 | f 2 | ||||
| d₁ | d₂ | d₃ ±0,25 | L±0,25 | C₁-0,2 | |||||
| -0,013 6 -0,028 | 8 0.015 | 06040 | 6 | 8 | 12 | 4 | 1 | 0.6 | 0.3 |
| 06070 | 7 | ||||||||
| -0,013 8 -0,028 | 10 0.015 | 08055 | 8 | 10 | 15 | 5.5 | |||
| 08075 | 7.5 | ||||||||
| -0,016 10 -0,034 | 12 0.018 | 10070 | 10 | 12 | 18 | 7 | |||
| 10090 | 9 | ||||||||
| 10120 | 12 | ||||||||
| -0,016 12 -0,034 | 14 0.018 | 12070 | 12 | 14 | 20 | 7 | |||
| 12090 | 9 | ||||||||
| 12120 | 12 | ||||||||
| -0,016 14 -0,034 | 16 0.018 | 14120 | 14 | 16 | 22 | 12 | |||
| 14170 | 17 | ||||||||
| -0,016 15 -0,034 | 17 0.018 | 15090 | 15 | 17 | 23 | 9 | |||
| 15120 | 12 | ||||||||
| 15170 | 17 | ||||||||
| -0,016 16 -0,034 | 18 0.018 | 16120 | 16 | 18 | 24 | 12 | |||
| 16170 | 17 | ||||||||
| -0,016 18 -0,034 | 20 0.021 | 18120 | 18 | 20 | 26 | 12 | |||
| 18170 | 17 | ||||||||
| 18200 | 20 | ||||||||
| -0,020 20 -0,041 | 23 0.021 | 20115 | 20 | 23 | 30 | 11.5 | 1.5 | 0.6 | 0.4 |
| 20165 | 16.5 | ||||||||
| 20215 | 21.5 | ||||||||
| -0,020 22 -0,041 | 25 0.021 | 22150 | 22 | 25 | 32 | 15 | |||
| 22200 | 20 | ||||||||
| -0,020 25 -0,041 | 28 0.021 | 25115 | 25 | 28 | 35 | 11.5 | |||
| 25165 | 16.5 | ||||||||
| 25215 | 21.5 | ||||||||
| -0,025 30 -0,050 | 34 0.025 | 30160 | 30 | 34 | 42 | 16 | 2 | 1.2 | 0.4 |
| 30260 | 26 | ||||||||
| -0,025 35 -0,050 | 39 0.025 | 35160 | 35 | 39 | 47 | 16 | |||
| 35260 | 26 | ||||||||
| -0,025 40 -0,050 | 44 0.025 | 40260 | 40 | 44 | 53 | 26 | |||
| 40400 | 40 | ||||||||

Wij zullen u binnen 12 uur na de werkdag antwoorden.
Huazhou is gespecialiseerd in onderzoek en ontwikkeling, productie, verkoop en service van zelfsmerende lagerproducten als een van de grote, uitgebreide ondernemingen.
Huazhou is uitgerust met hoogwaardige R&D-apparatuur en personeel en heeft meer dan 200 sets apparatuur van verschillende groottes, waaronder oprolmachines, ponsmachines, volautomatische afschuinmachines, volautomatische oprolmachines, sinterlijnen voor grondstoffen, enz. Het is ook uitgerust met duizenden sets slijpgereedschappen en de productie-efficiëntie van zijn producten heeft een nieuw hoogtepunt bereikt. Monsters worden in 3 dagen geproduceerd, met een dagelijkse productie van 500.000 stuks en een jaarlijkse productie van honderden miljoenen stuks.
De introductie van meer dan 260 speciale apparatuur, uitgerust met tienduizenden matrijzen, meer dan 150 professionals en 30 automatische productielijnen.
Ons product wordt verkocht in verschillende provincies in China, en wordt op grote schaal gebruikt in verschillende machine-industrieën, Volkswagen, BYD, enz., en met internationale normen, export naar Rusland, Maleisië, Tasania, Irak, Roemenië en andere 16 landen.
